ヘッドレスPC(自宅サーバー)作製にあたり
私が推しているChromebookを手元の端末として用い、裏では高性能なサーバーWindowsが動作するというシステムとしてのパワー・経済的合理性を最大化するこの構成を使用する場合、自作サーバーPCをどういう構成にするかということはパフォーマンスに直結する大変重要な話になります。
▼様々な用途でのハード構成を想定し、経済的合理性・処理能力を比較検討した記事はこちら。
その中でも、機能上の根幹をなす、マザーボードの選定が利便性とシステムとしての安定性にいかに重要か、ということを今回はお話します。
サーバー用PCのマザーボードとして要求される性能は何か?
サーバー用途で本格的に安定性を求めて自作PCを作製・運用しようとしている時には、一般的なコンシューマ向けのマザーボードは不向きです。なぜならサーバー用途としては設計されていないからです。
主な性能の違いは下記で、サーバー用途のマザーボードには、以下の機能があります。
・遠隔管理機能(BMC専用チップ搭載)
・メモリの信頼性(ECCメモリ対応、修正までサポート)
・I/Fが特長的(映像出力、LANポート)
これが24時間365日稼働を前提とするサーバーグレードマザーボードには備わっています。
遠隔管理機能
一般的なコンシューマ向けに搭載されていない重要な機能として、BMC専用チップによる遠隔管理機能があります。
これは、管理や問題が起きた際に行う様々なデバッグを、外出先などから遠隔で行うことができる機能です。
具体的に何ができるか私が使う主要なものは、
・BIOSの操作
・起動や再起動の実行
・OSの変更
があります。OSの変更は普段は行いませんがいざとなればできます。普段は主に起動や再起動を行うことがある程度ですね。基本的に管理機能は備えていますが、サーバー用マザーボードは安定動作しますので、この管理機能を使うこと自体は頻度が高くありません。
では、不要かと言うと、全くそんなことはありません。例えばOSがフリーズしてPCが動かなくなった場合、どうしますか?電源の再立ち上げをまず行うと思います。しかしコンシューマ向けのPCでそれを簡単に安定して行う事は難しいです。専用チップを搭載していると、これらの操作はブラウザのメーカーが用意した専用の画面から安定して行うことができます。
例えば電源管理であれば以下に示す様々な方法で実行できます。

OSに入れないときでも、BIOSに以下の機能で入れます。H5Viewerという以下の機能で、マザーボードの映像出力端子に接続して表示される画面を、遠隔でブラウザ上にも表示できます。


また、この画面上の右上に表示されている以下の部分で、

Brows FileからISOファイルをアップロードし、OSを変更することもできます。
このように遠隔でPCを管理することに特化しており、安定的なリモート運用を支える要の機能になっています。
ECCメモリ対応(修正機能込み)
メモリエラーを修正するこの機能は、コンシューマ向けマザーボードでも追加されているものもありますが、立ち位置としてはおまけの様な感じと思います。また、ECCメモリは実装できるが修正機能は動作しない、といったものもあると思います。
一方サーバー用途では必須機能です。なぜなら24時間365日電源を切らないからです。
電源を切らない場合に、非ECCメモリのエラー発生確率はだいたい以下のような挙動になります。

メモリの値によっても異なりますが、致命的でないエラーも含めての発生確率は上の通りです。
ここで言う致命的とはOSのフリーズです。致命的でないエラーとはOSがフリーズしないエラーです。例えば動画の色が1ピクセル勝手に変わる、使ってないメモリ領域が勝手に書き換わるエラーなどです。非ECCメモリではどこにエラーが発生するか分からない戦々恐々とした思いで稼働させ続けることになります。運が悪いと致命的なエラーが起きてOSがフリーズします。外出先でこれが起こった場合、コンシューマ向けのマザーボードでは修正は不可能か非常に限定的な作業になるでしょう。
ただ私の場合、OSはWindows 11 Proですが、週に1回、更新を反映させる目的で自動で再起動をする設定をしています。メモリは64GBを実装しています。上のグラフを見て分かる通り、64GBを1週間も電源ONで運用すれば、エラー確率は90数%を超えています。この中に致命的なエラーが含まれればOSはフリーズします。そうでなくとも、どこかにエラーが発生しデータが勝手に書き換わっています。これを排除し確実に安定した1週間にするためには、このサーバー用マザーボードの安定性が必要になります。
特長的なI/F仕様
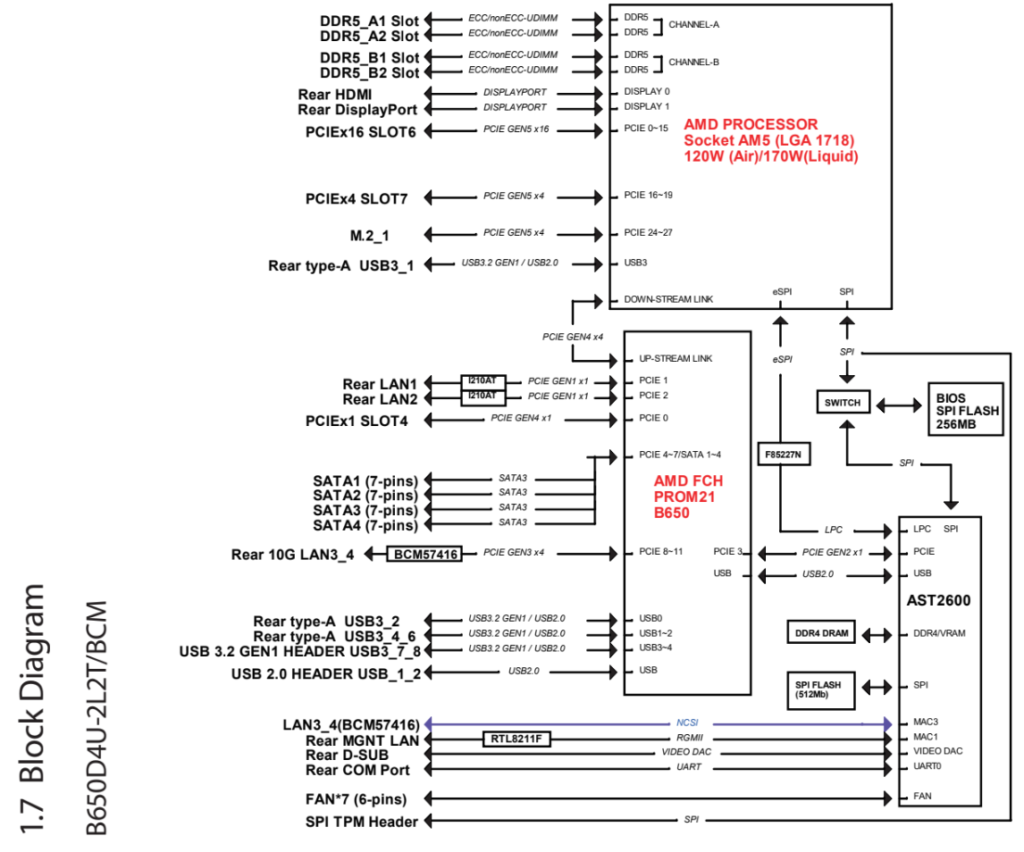
以下に私が使用しているマザーボードB650D4U-2L2T/BCMのI/Fを紹介します。画像は、ユーザーマニュアルと公式HPからの引用です。



マザーボードの全体写真から、左上に「ASPEED」と書かれたICが見えます。これがBMCで遠隔管理用の専用チップです。
そして④のLANポートが遠隔管理専用のLANです。通常の通信用のLANとは分離されています。
他にもLANポートは1GbEが2つ、10GbEも2つ搭載されています。これは通信の高速化や片方が切れてももう片方が生きてれば通信が切れないようにするといった冗長性に使用されます。例えば高速化で言えば、動画編集のような巨大なデータを扱う際、10GbEなら1GbEの10倍の速さで素材を流し込めることになります。
VGAの映像出力はASPEEDチップに直結されており、これが映像を出力します。一方でHDMIやDPポートも見えますが、こちらはCPUへの直結です。
同じ映像出力ですが、用途は全く違います。以下の通りに分かれます。
VGA出力
・OSがフリーズした時
・外出先からBIOS画面を操作したい時(上で紹介したH5Viewerはこの出力と連動)
・CPUやOSが死んでいても映る
HDMIやDP出力
・普通にOSを使用する時に、4Kなど綺麗な画面をCPUの処理能力で描画する
・通常の作業用で使用
・CPUが動いていないと動作しない
になります。
VGA映像出力ポートなど、今のコンシューマ向けマザーボードには絶対に搭載されていない非常にレガシーなものですよね。一方で現代の、HDMIやDPも搭載されているわけです。
私は専用のGPUをPCIeスロットに接続して運用しています。RTX5070Ti 16GBです。
このスロットはCPUに直結されています。
どこがどこに接続されているか、機能がどうなっているか下記のブロック図を見ると分かります。
参考に掲載します。

このように、サーバー用のマザーボードを特長的なI/Fを搭載しています。
まとめ
上に紹介してきたように、リモート運用を安定的に快適に行うためには重要なパーツになります。マザーボード選びをしっかり行うと、大変堅牢なシステムが完成します。
私の実装の様子も紹介しておきます。このマザーボードはサイズがMicro-ATXなので、小型ケースに収まります。

スペース制約上、CPUクーラーのファンを一つ取り外していますが、サーバーグレードのマザーボード自体の冷却設計や、ケース内のエアフローを最適化することで、ローカルAIや動画の書き出しといった高負荷時でも、サーマルスロットリング(熱による速度低下)が発生することなく安定して動作しています。
▼その他のパーツ構成についてはこちら。
マザーボードは建物で言えば、土台となる基礎の部分です。ここが堅牢であれば非常に安定しますので、マザーボード選びはぜひしっかりと検討しましょう。




コメント